Spletna stran uporablja piškotke, s pomočjo katerih vam zagotavljamo boljšo uporabniško izkušnjo in spremljamo statistiko obiska. Z obiskom in uporabo spletnega mesta soglašate s piškotki. V redu Politika piškotkov

Klimatski sistemi – vlaženje

Water treatment for air-scrubbers and spray-humidifiers in accordance with VDI 3803

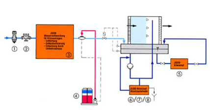
» Diagram of air washer and spray humidifier to VDI 3803
(PDF, German, 303 KB)

 

Prospekti